Bague bronze graphite à collerette BG13 - DIN ISO 2768
La bague de guidage à collerette selon DIN ISO 2768 medium BG13 autolubrifiante avec inserts en graphites permet le guidages des outils de découpe en assurant un positionnement précis et stable.

Caractéristiques
Matière : Bronze et graphite
Normes : DIN ISO 2768 medium
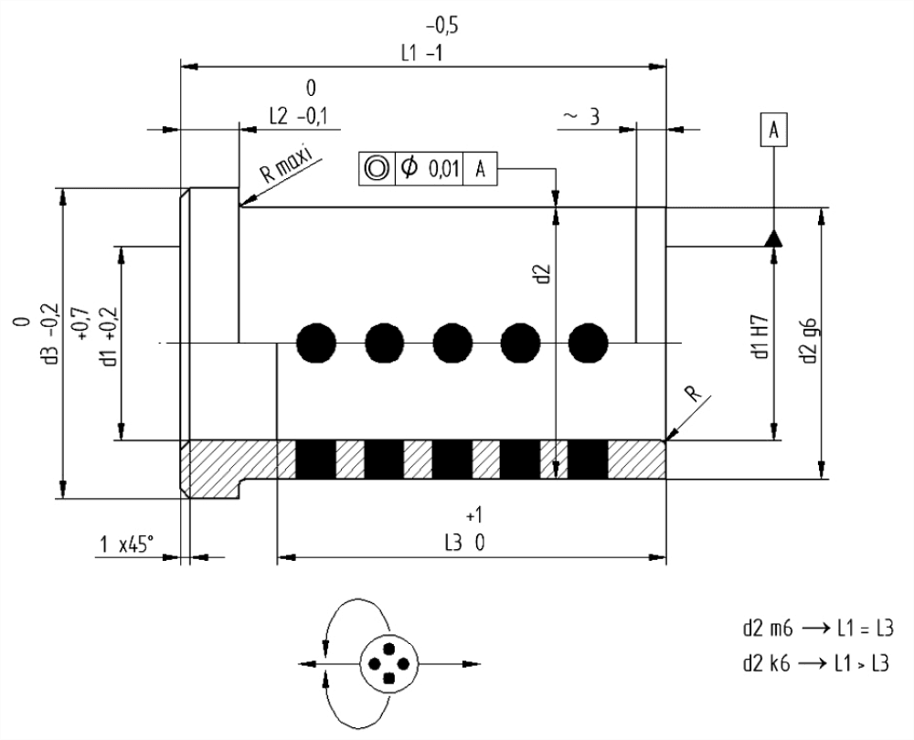
Dimensions :
- Diamètre extérieur : de 22 à 63mm
- Diamètre intérieur : de 16 à 50mm
- Longueur de 25 à 200mm
Vitesse de travail : 0 à 30m/min
Jusqu'à 200 coups par minute.
Types de fixation : Fixation par brides et vis. Les éléments de fixations ne sont pas fournies avec la bague.
Sens de glissement : Vertical. Pour plus d'informations se référer au schéma.
Lubrification : Autolubrifiante
Avantages :
- Vitesse de travail élevée grâce au faible coefficient de frottement du bronze.
- Epaulement minimal
- Autolubrifiante
Conception : Conception modulaire pour une intégration facile et une maintenance simplifiée.
- Rectification
- Usinage
Recommandation d'utilisation :
- Montage : Les bagues sont à monter via les brides de fixations dans l'outil. Il est important de veuillez au bon montage de la bague permettant d'assurer le parallélisme avec la colonne empêchant ainsi une usure prématurée.
- Respecter les vitesses de travail Le respect des vitesses de travail, permet d'assurer l'intégrité de l'outil et de la bague.
- Environnement : Il ne faut pas conserver et utiliser les bagues dans un environnement corrosif.
Recommandation d'entretien :
- Nettoyage régulier
- Inspection régulière
- Contrôle des charges
Dimensions spéciales :
Chacune de nos bagues bronze graphites peuvent être réalisés suivant des dimensions spéciales. N'hésitez pas à nous envoyer vos demandes spécifiques en nous indiquant les dimensions et spécificités souhaitées.
Pour commander il vous suffit de nous indiquer à partir du catalogue :
- Le diamètre intérieur
- La longueur
- La quantité souhaitée
Exemple : BG13.016.025 X2
Schéma


