Bronze demountable guide bushes with graphit inserts DBEI - DIN 9834
Bronze demountable guide bushes with graphit inserts DBEI - DIN 9834
The DBEI bronze demountable graphit inserts guide bushe guides cutting tools in a precise and stable position.

Specifications
Material: Bronze and graphit
Standard : DIN 9834
Dimensions :
- Diameter : from 24 to 80mm
- Length : from 40 to 100mm
Working speed : 0 to 30m/min
Up to 200 strokes per minute
Type of mounting : Clamps and screws fixing supplied with the bushe.
The Easyfit system facilitate the bushe mounting in the bore making it quicker to adjust and install
Type of lubrification : Self-lubricating
Benefits :
- High working speed thanks to the bronze inserting due to its low coefficient of friction.
- Minimum shoulder
Available in 3 tolerance classes for precise matching with the guide bushes according to the need.
Conception : Modular design for an easy integration and simplified maintenance.
- Machining
- Grinding / honing
Target application :
Ideal for press tools, injection moulds or any other assembly requiring precise, reliable guidance.
Recommendation for use :
- Mounting : The bushe is fitted using the fixing clamps directly in the tool plate. It is important to ensure that the pillar is correctly fitted to guarantee the parrallelism with the guide bushes and preventing premature wear.
- Do not exceed working speed. Compliance with working speeds ensures the integrity of the tool and bushe.
- Environment : Do not store or use the bushe in a corrosive environment.
Maintenance recommendations :
- Regular cleaning
- Regular inspection
- Load control
To order you need to indicate :
- The diameter
Example : DBEI.080
3D Model
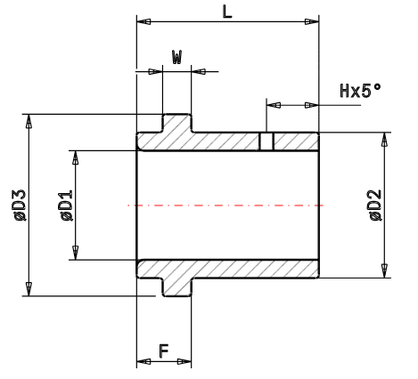
Plan
D1 : Pillar diameter
D2 : Bushe press-fit diameter
D3 : Bushe collar diameter
L : Bushe length
F : Guiding length
W : Collar thickness


