Stripper plate demountable ball bearing bushes B42 - ISO 9448
The B42 stripper plate demountable ball bearing bushe guides cuttins tools in a precise and stable position.

Specifications
Material: 16MnCr5 - Case-hardened
Standard : ISO 9448
Dimensions :
- Diameter : from 24 to 50mm
- Length : from 20 to 54mm
Working speed : over 45m/min
Up to 300 strokes per minute
Type of mounting : Clamps and screws fixing supplied with the bushe.
The Easyfit system facilitate the bushe mounting in the bore making it quicker to adjust and install
Hardness : 60 à 64 HRC for maximum wear resistance and durability. Designed for prolonged use thanks to its robust construction and high hardness.
Treatment : Case hardening and tempering for optimum surface hardness.
Type of lubrification : No lubrication, ball bearing guides
Benefits :
- Ball bearing guiding system allow very high speed work and is extremely precise. This type of guide is particularly interesting for thin sheet applications.
- Adapted for intermediate plate / stripper plate
Available in 3 tolerance classes for precise matching with the guide bushes according to the need.
Conception : Modular design for an easy integration and simplified maintenance.
- Machining
- Grinding / honing
- Treatment
Target application :
Ideal for press tools, injection moulds or any other assembly requiring precise, reliable guidance.
Recommendation for use :
- Mounting : The bushe is fitted using the clamps and screws directly in the intermediate plate / stripper plate in the tool. It is important to ensure that the pillar is correctly fitted to guarantee the parrallelism with the guide bushes and preventing premature wear.
- Do not exceed working speed. Compliance with working speeds ensures the integrity of the tool and bushe.
- Environment : Do not store or use the bushe in a corrosive environment.
Maintenance recommendations :
- Regular cleaning
- Regular inspection
- Load control
To order you need to indicate :
- The diameter
- The lenght
Example : B42.032.039
Technical data
3D Model
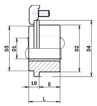
Plan
D1 : Pillar diameter
D2 : Bushe press-fit diameter
D3 : Bushe external diameter
D4 : Bushe collar diameter
E : Press-fit length
L : Bushe length


