Ball-lock punches for light duty with ejector PB-BLEB / PB-BLE_
Ball-lock punches for light duty with ejector PB-BLEB / PB-BLE_
The PB-BLN_ ball lock punch for light duty is fastened with a ball in the tool for quick removal. The ejector facilitates waste removal. The ball-lock punches are mounted in a tool to cut, bend or form sheet. We are machining our punches following your needs or drawing. They are also available as blank.

Specifications
Material : Material B : High-speed steel HSS / 1.3343 / M2 / HS 6.5.2 / Z90
Standard : ISO 10071 / NF E63-102
Dimensions :
- Diameter : from 10mm to 25mm
- Length : from 71mm to 125mm
Ball fixing Ø8mm.
Available shapes : Available as a blank or following our 6 standards catalog shapes. Others shapes can be made as special.
Coating : Standard coating : TIN, Alcrona (AlCrN), TICN, CrN, t-ac.
Other coating on request.
Hardness : Body 60 - 64 HRc
Benefits :
- The ball-lock range allows quick removal of the punch without having to touch the punch retainer. The disassembly is performed with a ball pushing tool reducing the tools downtime.
- All our punches are engraved to your specifications for quick identification.
- Ejector for waste removal
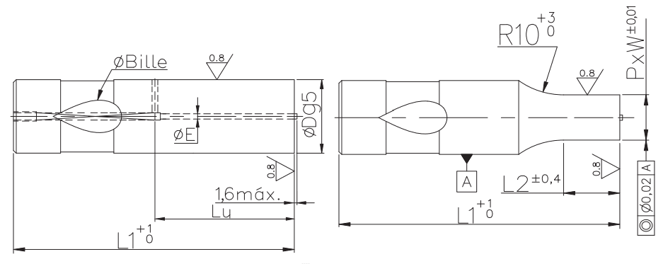
Tolerances :
- Body tolerance g5
- Length tolerance +1/0
- Shape tolerance ± 0,01
Conception :
- The ball-lock fixing is machined.
- The body and shape are grinded with high precision.
Target application
Ideal for press tools or injection moulds.
Recommendations for use :
- Mounting : The ball-lock punch is mounted in a ball-lock punch-retainer.
- Cutting clearance : We recommand a cutting clearance between the die button and the punch corresponding to 10% of the thickness of the sheet being cut. (except special applications).
Maintenance recommendations :
- Regular cleaning
- Regular inspection
- Checking alignment with the die
- Regular lubrication
To order you need to indicate :
- The desired dimensions
- Desired shape (except for blanks)
- Shape dimensions (except for blanks)
- The desired coating
- Shape orientation
- Standard alterations
Example :PB-BLEL-16-71-20-P12.5-W8-R2T0-TIN
Technical data
3D Model
Plan
L : Punch length
Dg5 : Body diameter tolerance g5
Lu : Useful length
E : Ejector diameter
L2 : Working length for shaped punches
Ø Bille = 8 mm
P x W : Shape dimensions


