Heavy duty headed punches with ejector P_-PTEB / PB-PTE_
Heavy duty headed punches with ejector P_-PTEB / PB-PTE_
The P_-PTN_ heavy duty headed punch have a reinforced head to withstand high loads. The ejector facilitates waste removal. Heavy duty headed punches are mounted in a tool to cut, bend or form sheet metal. We are machining our punches following your needs or drawing. They are also available as blank.

Specifications
Material :
- Material B : High-speed steel HSS / 1.3343 / M2 / HS 6.5.2 / Z90
- Material S : M4 / 1.3351 / HS 6.5.4
Dimensions :
- Diameter : from 8mm to 32mm
- Length from 71mm to 100mm
Cylindrical head, 8mm thick.
Available shapes : Available as a blank or following our 6 standards catalog shapes. Others shapes can be made as special.
Coating : Standard coating : TIN, Alcrona (AlCrN), TICN, CrN, t-ac.
Other coating on request.
Hardness:
- Material B :
Head 47 -57 HRc
Body 60 - 64 HRc
- Material S :
Head 47 -57 HRc
Body 62 - 66 HRc
Benefits :
- Easy to install using the counterbore. The head is chamfered to ensure correct perpendicular alignment with the punch holder.
- Very precize orientation flat.
- The head 8mm thick make the punch able to withstand high load for every high stress demanding application.
- All our punches are engraved to your specifications for quick identification.
- Ejector for waste removal
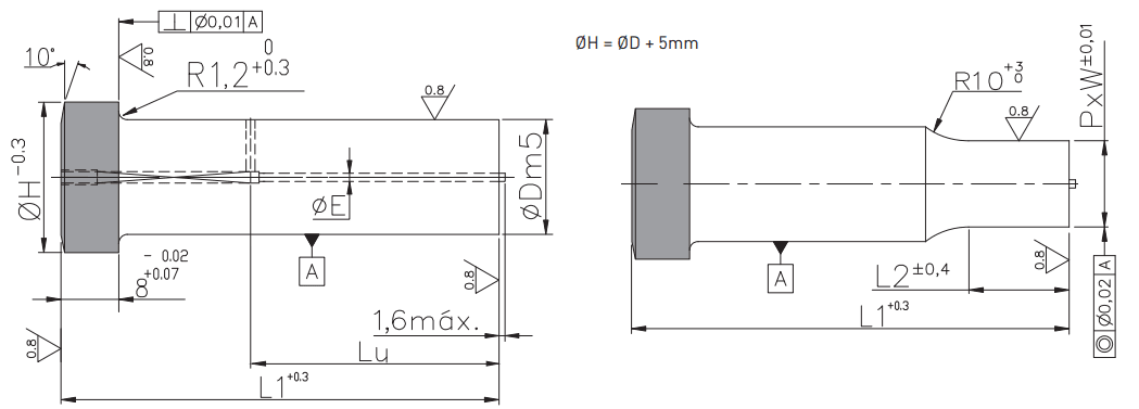
Tolérances :
- Body tolerance m5
- Length tolerance +0,3
- Cylindrical head thickness tolerance -0,02/+0,07
- Cylindrical head diameter tolerance -0,3
- Shape tolerance ± 0,01
Conception :
- The cylindrical head is hot forged for a better strength and durability.
- The body and shape are grinded with high precision.
- Our ejector punches are made with a vent hole on the body.
Target application
Ideal for press tools or injection moulds.
Recommendations for use :
- Mounting : The heavy duty headed punch is mounted in a punch retainers with counterbore.
- Cutting clearance : We recommand a cutting clearance between the die button and the punch corresponding to 10% of the thickness of the sheet being cut. (except special applications).
Maintenance recommendations :
- Regular cleaning
- Regular inspection
- Checking alignment with the die
- Regular lubrication
To order you need to indicate :
- The desired dimensions
- Desired shape (except for blanks)
- Shape dimensions (except for blanks)
- The desired coating
- Shape orientation
- Standard alterations
Example : PB-PTEL-25-71-20-P24-W12,5-R2T0-TIN
Technical data
Plan
L : Punch length
Dm5 : Body diameter tolerance m5
H : Cylindrical head diameter
Lu : Useful length
L2 : Working length for shaped punches
ØE : Ejector diameter
P x W : Shape dimensions


