Rectangular punch retainers RT-PPRF for round shaped headed punches
Rectangular punch retainers RT-PPRF for round shaped headed punches
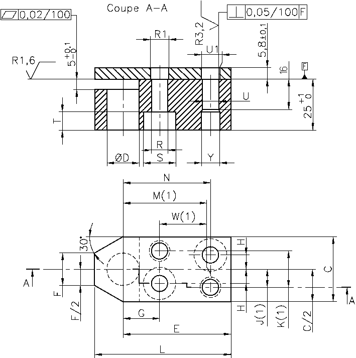
The RT-PPRF rectangular punch retainers are designed for headed shaped punches. Delivered with the shock plate.

Specifications
Material : 40CMD8 T4
Standard : NF E63-107
Dimensions :
- For headed shaped punches from diameter 8 to 32mm.
- Height : 25mm
Hardness :
Punch retainer : 43-48 HRc
Shock plate : 32-38 HRc
Shock plate included
Benefits :
- Precise positioning and alignment
- Orientation flat
Tolerance :
- Punch diameter G6
- Punch head diameter ± 0,25
- Punch retainer length ± 0,25
- Punch retainer width ± 0,25
- Height tolerance 25 +1/0 mm
Conception :
- Punch retainers are machined
- The faces are gound
- The edges are treated by burnishing
Recommendations for use :
Mounting : The punch retainers are fastened by two screws and two pins directly into the top plate of your tool.
Maintenance recommendations :
- Regular cleaning
- Regular inspection
- Checking alignment with the die
- Regular lubrication
To order you need to indicate :
- The diameter of the punch required
Example : RT-PPRF-16
3D Model
Plan
L : Length
C : Width
F : Punch retainers tip width


