Reduced punch retainers RR-RFFS for round shaped tapered punches
Reduced punch retainers RR-RFFS for round shaped tapered punches
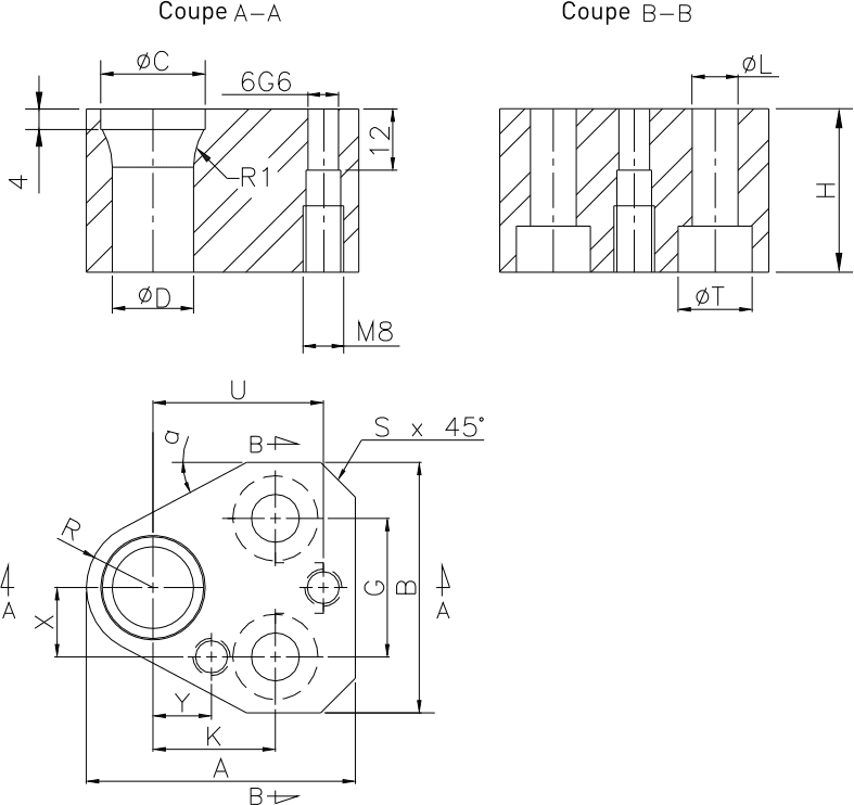
The RR-RFFS reduced punch retainers are designed for round shaped tapered punches.

Specifications
Material : 40CMD8 T4
Dimensions :
- For round shaped tapered punches from diameter 6 to 25mm.
- Height : from 25 to 41mm
Hardness:
Punch retainers : 43-48 HRc
Shock plate not included
Benefits :
- Precise positioning and alignment
- Reduced dimensions and centre distances
- Can be nested
- For tapered punches
Tolerances :
- Punch diameter K6
- Punch head diameter ± 0,25
- Punch retainers length ± 0,25
- Punch retainers width ± 0,25
Conception :
- Punch retainers are machined
- The faces are gound
- The edges are treated by burnishing
Recommendations for use :
Mounting : The punch retainers are fastened by two screws and two pins directly into the top plate of your tool.
Maintenance recommendations :
- Regular cleaning
- Regular inspection
- Checking alignment with the die
- Regular lubrication
To order you need to indicate :
- The diameter of the punch required
Example : RR-RFFS-16
Plan
A : Punch retainer length
B : Punch retainer width
ØD : Punch diameter


