Demountable guide pillar with mounting clamps RID - NF E63-058
The RID clamps-mounted guide column guides cutting tools in a precise and stable position.

Specifications
Material : 16MnCr5 - Case-hardened
Standard : NF E63-058
Dimensions :
- Diameter : from 20 to 80mm
- Length : from 100 to 463mm
- Guide length : from 80 to 400mm
Type of mounting : Clamps and screws fixing supplied with the column.
The Easyfit system facilitate the pillar mounting in the bore making it quicker to adjust and install
Hardness : 60 to 64 HRC for maximum wear resistance and durability. Designed for prolonged use thanks to its robust construction and high hardness.
Treatment : Case hardening and tempering for optimum surface hardness.
Benefits :
- Precise alignment
- Easy maintenance
- High durability
- Clamps and screws fastening make the assembly disassembly easy.
Available in 3 tolerance classes represented by a color code (white, blue and yellow). This allows precise matching with the guide bushes tailored to the need.
Conception : Modular design for an easy integration and simplified maintenance.
- Machining
- Grinding
- Treatment
Target application :
Ideal for press tools, injection moulds or any other assembly requiring precise, reliable guidance.
Recommendations for use :
- Mounting : The column is fitted using the clamps and screws directly in the tool plate. It is important to ensure that the pillar is correctly fitted to guarantee the parralelism with the guide bushe and preventing preventing premature wear.
- Environment : Do not store or use the column in a corrosive environment.
Maintenance recommendations :
- Regular cleaning
- Regular inspection
- Load control
To order you need to indicate :
- The diameter
- The guiding length
Example : RID.032.180
Technical data
3D Model
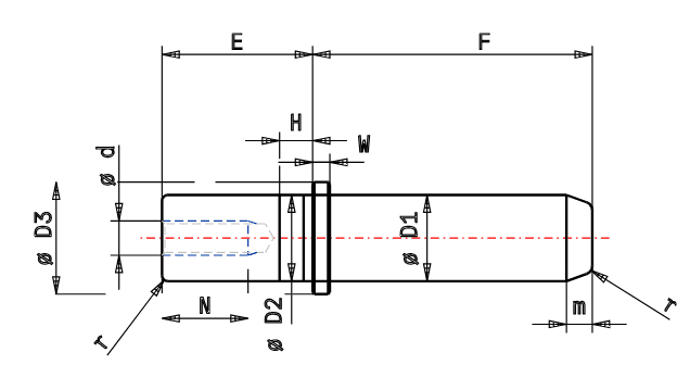
Plan
D1 : diamètre de la colonne
E : Longueur d'emmanchement
F : Longueur de guidage
m : Longueur conique
d : diamètre filetage

Pictures


FAQ
Detailed description
AMDL Scop SA is a leading manufacturer, of standard parts for die sets making, marketed under the registered trademarks MDL and Porter Besson.
The guide pillars are used with guide bushes and ball cages to design guide systems for die sets

