Headless die button with counterbore relief D-SMC_ / D_-SHC_
The D_-SMC_ / D_-SHC_ headless die button are mecanically clamped in the tool plate. The counterbore relief / recesses allows the off-cut to be evacuated during cutting. Headless die button are mounted in a tool to cut, bend or form sheet.

Specifications
Material :
- Material A : High-speed steel HWS / 1.2379 / D2 / X155CrVMo12.1
- Material B : High-speed steel HSS / 1.3343 / M2 / HS 6.5.2 / Z90
Standard : ISO 8977 - NF E63-080
Dimensions :
- Diameter : from 6 to 50mm
- Length : from 20 to 35mm
Type : Headless die. Counterbore relief
Available shapes : Available as a blank or following our 6 standards catalog shapes. Others shapes can be made as special.
Coating : Standard coating : TIN, Alcrona (AlCrN), TICN, CrN, t-ac.
Other coating on request.
Hardness :
- Material A : 58-62 HRc
- Material B : 60 - 64 HRc
Benefits :
- Headless die with body tolerance h5 must be mecanically clamped. The die with body tolerance m5 can be fitted with a mallet.
- All our die button are engraved to your specifications for quick identification.
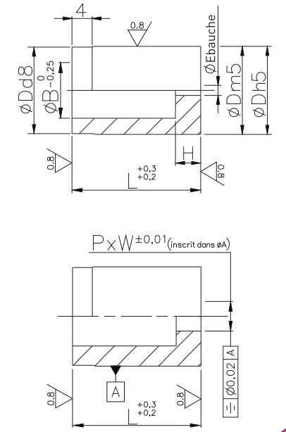
Tolerances :
- D_-SMC_ : Body tolerance m5
- D_-SHC_ : Body tolerance h5
- Length tolerance +0,3/+0,2
- Shape tolerance +/-0,01
Conception : EDM
Target application
Ideal for press tools or injection moulds.
Recommendations for use :
- Mounting : The die button are directly mounted in the bottom plate.
- Cutting clearance : We recommand a cutting clearance between the die button and the punch corresponding to 10% of the thickness of the sheet being cut. (except special applications)
Maintenance recommendations :
- Regular cleaning
- Regular inspection
- Checking alignment with the die
- Regular lubrication
To order you need to indicate :
- The desired dimensions
- Desired shape (except for blanks)
- Shape dimensions (except for blanks)
- The desired coating
- Shape orientation
- Standard alterations
Example : DA-SMCL-20-25-5-P8-W5-R2T0
Technical data
3D Model
Plan
Dh5 : Die button D_-SHC_ diameter tolerance h5
Dm5 : Die button D_-SMC_ diameter tolerance m5
L : Die length
B : Relief diameter
H : Height
PxW : Shape dimensions


