Key located headless die button with counterbore relief D_-SCCB / D_-SCC_
Key located headless die button with counterbore relief D_-SCCB / D_-SCC_
The D_-SCC_ key located headless die button is mecanically clamped and oriented thanks to a M8 h6 washer. The counterbore relief / recesses allows the off-cut to be evacuated during cutting. Key located die button are mounted in a tool to cut, bend or form sheet

Specifications
Material :
- Material A : High-speed steel HWS / 1.2379 / D2 / X155CrVMo12.1
- Material K : XII0CrMoV8-2
Standard : ISO 8977 - NF E63-080
Dimensions :
- Diameter : from 16 to 50mm
- Length : 32mm
Type : Key located die button. Counterbore relief.
Available shapes : Available as a blank or following our 6 standards catalog shapes. Others shapes can be made as special.
Coating : Standard coating : TIN, Alcrona (AlCrN), TICN, CrN, t-ac.
Other coating on request.
Hardness:
- Material A : 58-62 HRc
- Material B : 60 - 64 HRc
Benefits :
- Clamp locking for precise positioning.
- All our die button are engraved to your specifications for quick identification.
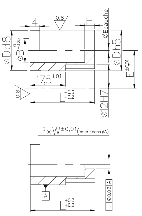
Tolerance:
- Body tolerance h5
- Length tolerance +0,3/+0,2
- Shape tolerance +/-0,01
Conception : EDM
Target application
Ideal for press tools or injection moulds.
Recommendations for use :
- Mounting : The die button are directly mounted in the bottom plate.
- Cutting clearance : We recommand a cutting clearance between the die button and the punch corresponding to 10% of the thickness of the sheet being cut. (except special applications)
Maintenance recommendations :
- Regular cleaning
- Regular inspection
- Checking alignment with the die
- Regular lubrication
To order you need to indicate :
- The desired dimensions
- Desired shape (except for blanks)
- Shape dimensions (except for blanks)
- The desired coating
- Shape orientation
- Standard alterations
Example : DA-SCCL-20-32-5-P8-W5-R2T0
Technical data
3D Model
Plan
Dh5 : Die button diameter tolerance h5
L : Die button length
B: Relief diameter
H : Height
PxW : Shape dimension


