Retaining clamps B03.00X.000 for AFNOR guiding elements
The B03.00X.000 retaining clamps are used to hold the MDL PB guiding elements. It ensures a good fixing of the elements in their bore by clamping the collar of the guiding elements to the plate tool. The head of the screw is housed in the clamp which is reducing space requirements. This optimises the space used by the clamp and the screw when the tools are in closed positions and that your plates tools are as close together as possible.

Specifications
Material : Burnished and folded steel
Compatible with :
- Demountable guide pillar with mounting clamps RID - NF E63-058
- Guide bushes EB for conical column - NF E63-120/121
- Demountable steel guide bushes HB - NF E63-123
- Demountable steel guide bushes JB - NF E63-123
Dimensions : For screw M4 to M10
Benefits :
- Minimum footprint
- High resistance to breakage
- Screw head housed in the flange to optimise space requirement in the tool
- Burnished
Conception :
- Cutted
- Deburred
- Burnished
Recommendation for use :
Mounting : Use the recommended number of clamps / flanges based on your guide bushe diameter :
Ø 12 à 25 : 2 clamps
Ø 32 à 50 : 3 clamps
Ø 63 à 100 : 4 clamps
For RID guide pillars, always use 3 clamps.
To order you need to indicate :
- The required reference
Example : B03.006.000
Technical data
3D Model
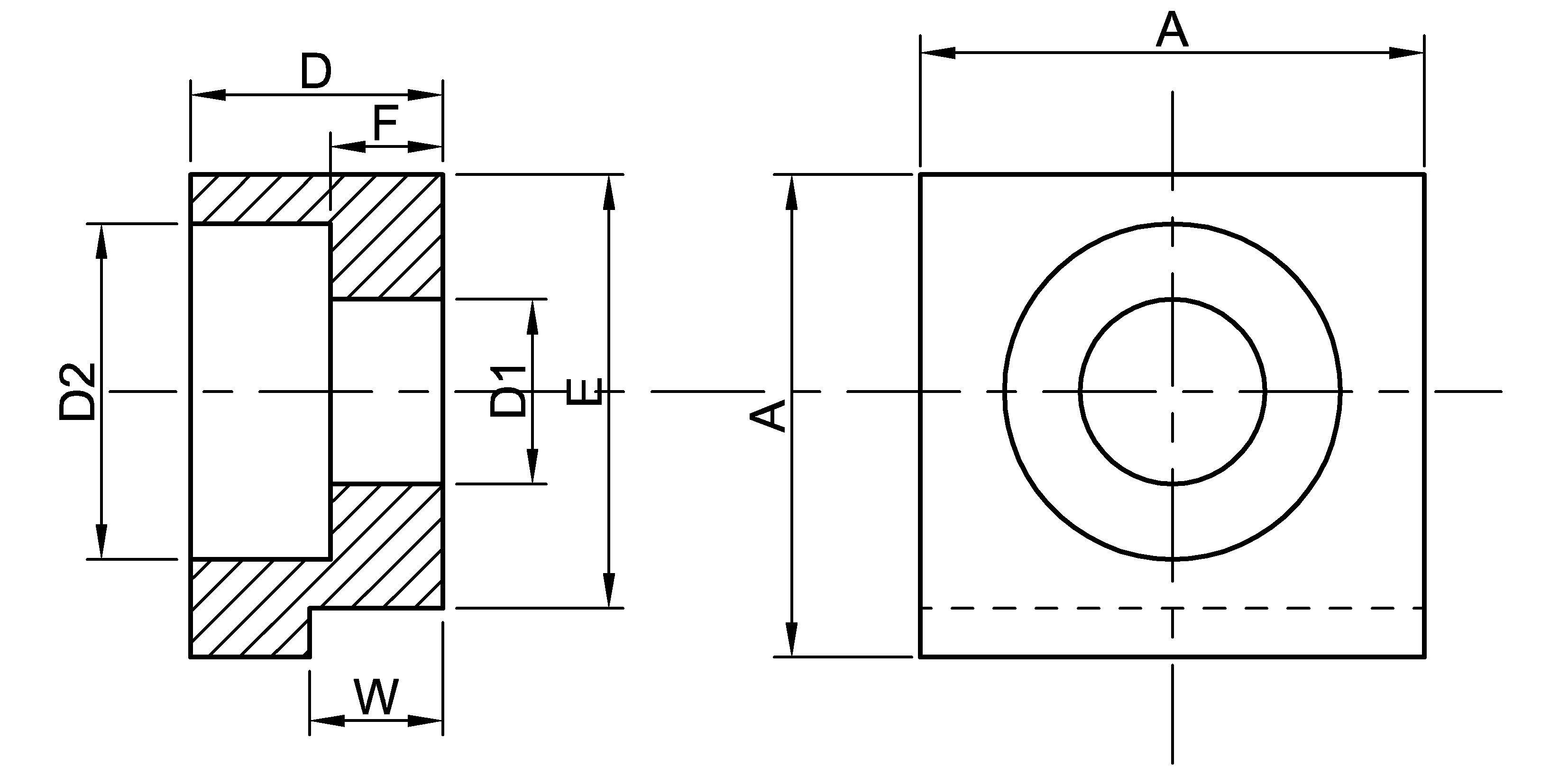
Plan
A : Length / width
D : Thickness
D1 : Bore diameter : screw body
D2 : Screw head counterbore diameter
W : Thickness below collar
F : Screw body bore length


