Heavy duty headed punches with center dowel and ejector P_-PTFB / P_-PTF_
Heavy duty headed punches with center dowel and ejector P_-PTFB / P_-PTF_
The P_-PTF heavy duty headed punche with center dowel has a reinforced head to withstand high load and is directly tightened and centred on the tool plate.The ejector facilitates waste removal. Headed punches are mounted in a tool to cut, bend or form sheet We are machining our punches following your needs or drawing. They are also available as blank.

Specifications
Material :
- Material B : High-speed steel HSS / 1.3343 / M2 / HS 6.5.2 / Z90
- Material S : M4 / 1.3351 / HS 6.5.4
Dimensions :
- Diameter : from 8mm to 32mm
- Length from 71mm to 100mm
Cylindrical head, 8mm thick.
Available shapes : Available as a blank or following our 6 standards catalog shapes. Others shapes can be made as special.
Coating : Standard coating : TIN, Alcrona (AlCrN), TICN, CrN, t-ac.
Other coating on request.
Hardness :
- Material B :
Head 47 -57 HRc
Body 60 - 64 HRc
- Material S :
Head 47 -57 HRc
Body 62 - 66 HRc
Benefits :
- Dowel centering ensure greater precisiion in the punch location and remove the clearance/play with direct tightening.
- All our punches are engraved to your specifications for quick identification.
- Ejector for waste removal
Tolerances :
- Body tolerance m5
- Length tolerance +0,3
- Cylindrical head thickness tolerance -0,02/+0,07
- Cylindrical head diameter tolerance -0,3
- Shape tolerance ± 0,01
Conception :
- The cylindrical head is hot forged for a better strength and durability.
- The body and shape are grinded with high precision.
Target application
Ideal for press tools or injection moulds.
Recommendations for use :
- Mounting : The heavy duty headed punch is directly tightened and centred in the tool plate.
- Cutting clearance : We recommand a cutting clearance between the die button and the punch corresponding to 10% of the thickness of the sheet being cut. (except special applications).
Maintenance recommendations :
- Regular cleaning
- Regular inspection
- Checking alignment with the die
- Regular lubrication
To order you need to indicate :
- The desired dimensions
- Desired shape (except for blanks)
- Shape dimensions (except for blanks)
- The desired coating
- Shape orientation
- Standard alterations
Example : PB-PTFL-16-71-20-P12.5-W8-R2T0-TIN
Technical data
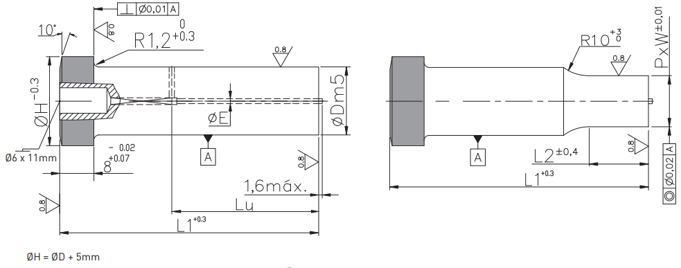
Plan
L : Punch length
Dm5 : Body diameter tolerance m5
L2 : Working length for shaped punches
ØH : Cylindrical head diameter
ØE : Ejector diameter
Lu : Useful length
P x W : Shape dimensions

FAQ
Detailed description
Since 1960, PorterBesson has been the reference brand for the manufacture of special cutting punches.
For all your special punches needs, you can ask the technical and sales teams.
As an expert punches and dies manufacturer Porter Besson, can stude all your special needs, and produce the right special punches accorded to your specifications and drawing.
Punches and dies Porter Besson are manufactured and available in stock at AMDL.
Punches and dies from the registered Porter Besson brand are available in stock at AMDL.

