Square punch retainers RT-PPSS for round shaped headed punches
The RT-PPSS square punch retainers are designed for round shaped headed punches. They are delivered with the shock plate.

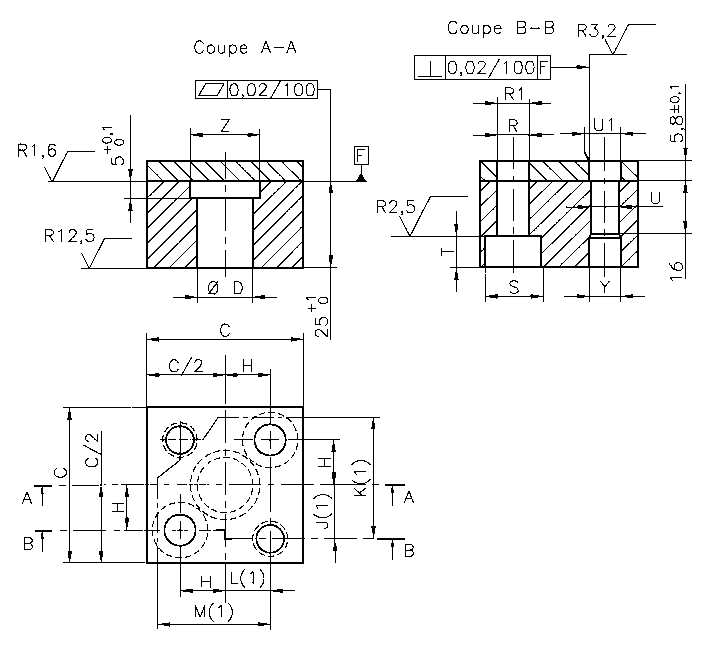
Specifications
Material : 40CMD8 T4
Standard: NF E63-108
Dimensions :
- For round shaped headed punches from diameter 8 to 32mm.
- Height : 25mm
Hardness :
Punch retainer : 43-48 HRc
Shock plate : 32-38 HRc
Shock plate included
Benefits :
- Precise positioning and alignment
- Small footprint
Tolerances :
- Punch diameter G6
- Punch head diameter ± 0,25
- Punch retainer length ± 0,25
- Punch retainer width ± 0,25
- Height tolerance 25 +1/0 mm
Conception :
- Punch retainers are machined
- The faces are gound
- The edges are treated by burnishing
Recommendations for use :
Mounting : The punch retainers are fastened by two screws and two pins directly into the top plate of your tool.
Maintenance recommendations :
- Regular cleaning
- Regular inspection
- Checking alignment with the die
- Regular lubrication
To order you need to indicate :
- The diameter of the punch required
Example : RT-PPSS-16
3D Model
Plan
C : Width
H : Distance Pin bore to centre of punch retainer
M : Distance centre of bore pin - screw
K : Distance centre of bore pin - pin


