Reduced ball-lock punch retainers RR-BHTN for heavy duty punches
Reduced ball-lock punch retainers RR-BHTN for heavy duty punches
The RR-BHTN reduced ball-lock punch retainers are designed for heavy load ball-lock punches.

Specifications
Material : 40CMD8 T4
Standard : NF E63-117
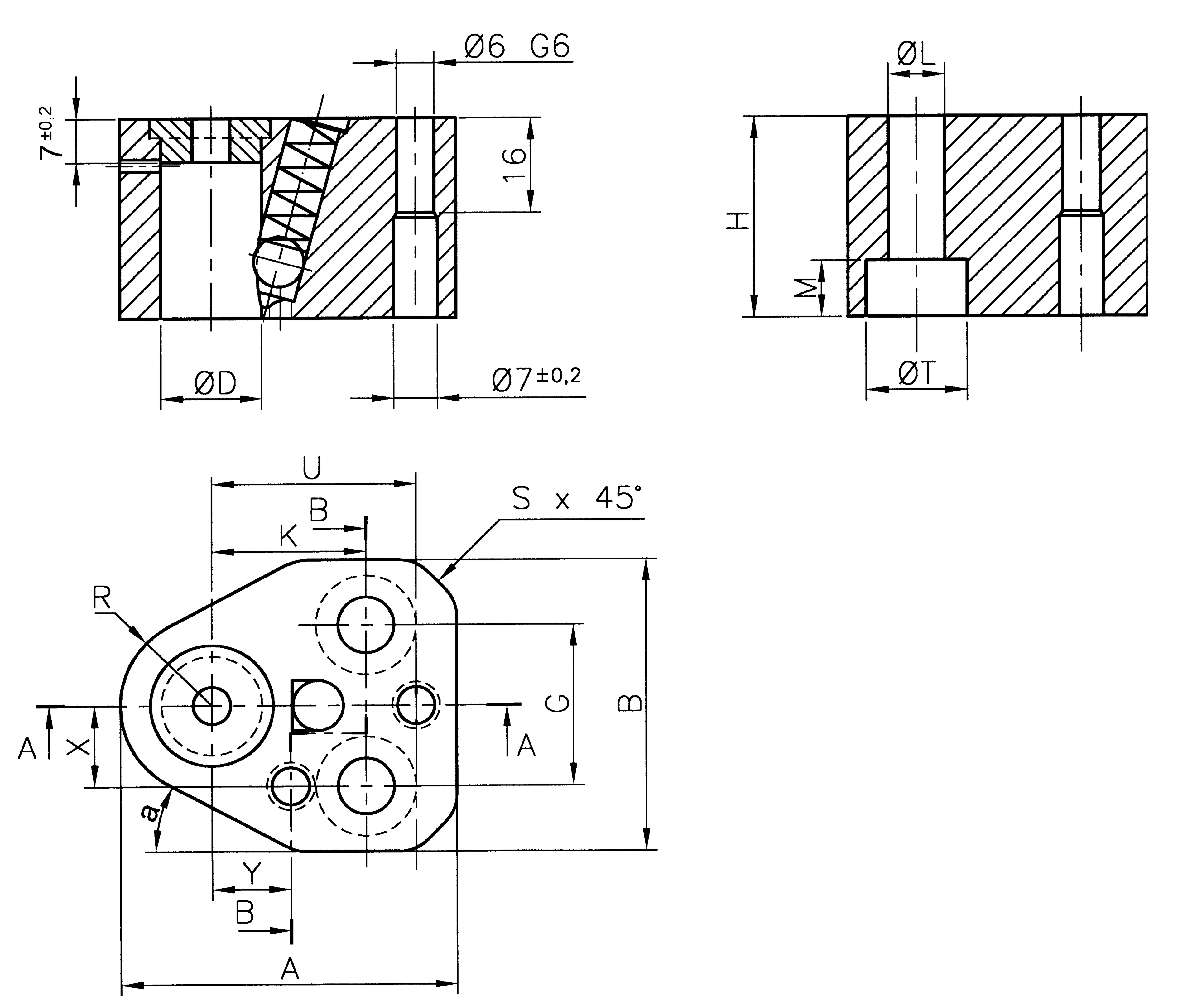
Dimensions :
- For heavy load ball-lock punches from diameter 10 to 40mm
- Height : 41mm
Hardness :
Punch retainer : 43-48 HRc
Shock plate not included
Benefits:
- Precise positioning and alignment
- Reduced dimensions and centre distances
- Can be nested
- Ball fixing for ball-lock punch
Tolerance :
- Punch diameter h6
- Punch retainer length ± 0,25
- Punch retainer width ± 0,25
Conception :
- Punch retainers are machined
- The faces are gound
- The edges are treated by burnishing
Recommendations for use :
Mounting : The punch retainers are fastened by two screws and two pins directly into the top plate of your tool.
Maintenance recommendations :
- Regular cleaning
- Regular inspection
- Checking alignment with the die
- Regular lubrication
To order you need to indicate :
- The diameter of the punch required
Example : RR-BHTN-16
3D Model
Plan
A : Punch retainer length
B : Punch retainer width
ØD : Punch diameter
ØBall : 10/12 mm


