Reduced punch retainers high height compact RR-PPVS for round shaped headed punches
Reduced punch retainers high height compact RR-PPVS for round shaped headed punches
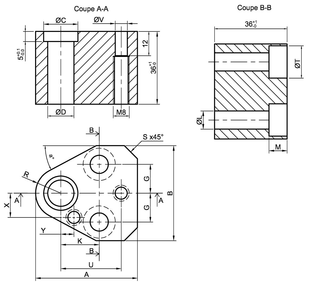
The RR-PPVS reduced punch retainers high height are designed for round shaped haded punches.


Specifications
Material : 40CMD8 T4
Standard : Standard international
Dimensions :
- For round shaped headed punches from diameter 8 to 32mm
- Height : 36mm
Hardness :
Punch retainer : 43-48 HRc
Shock plate not included
Benefits :
- Precise positioning and alignment
- Reduced dimensions and centre distances
- Can be nested
- Reduced buckling
Tolerances :
- Punch diameter G6
- Punch head diameter ± 0,25
- Punch retainer length ± 0,25
- Punch retainer width ± 0,25
- Height tolerance 36 +1/0 mm
Conception :
- Punch retainers are machined
- The faces are gound
- The edges are treated by burnishing
Recommendations for use :
Mounting : The punch retainers are fastened by two screws and two pins directly into the top plate of your tool.
Maintenance recommendations :
- Regular cleaning
- Regular inspection
- Checking alignment with the die
- Regular lubrication
To order you need to indicate :
- The diameter of the punch required
Example : RR-PPVS-16
3D Model
Plan
A : Punch retainer length
B : Punch retainer width
ØD : Punch diameter


