Reduced punch retainers international Standard RR-PPTS for round shaped headed punches
Reduced punch retainers international Standard RR-PPTS for round shaped headed punches
The RR-PPTS reduced punch retainers international standards are designed for headed round shaped punches.

Specifications
Material : 40CMD8 T4
Standard : International standard
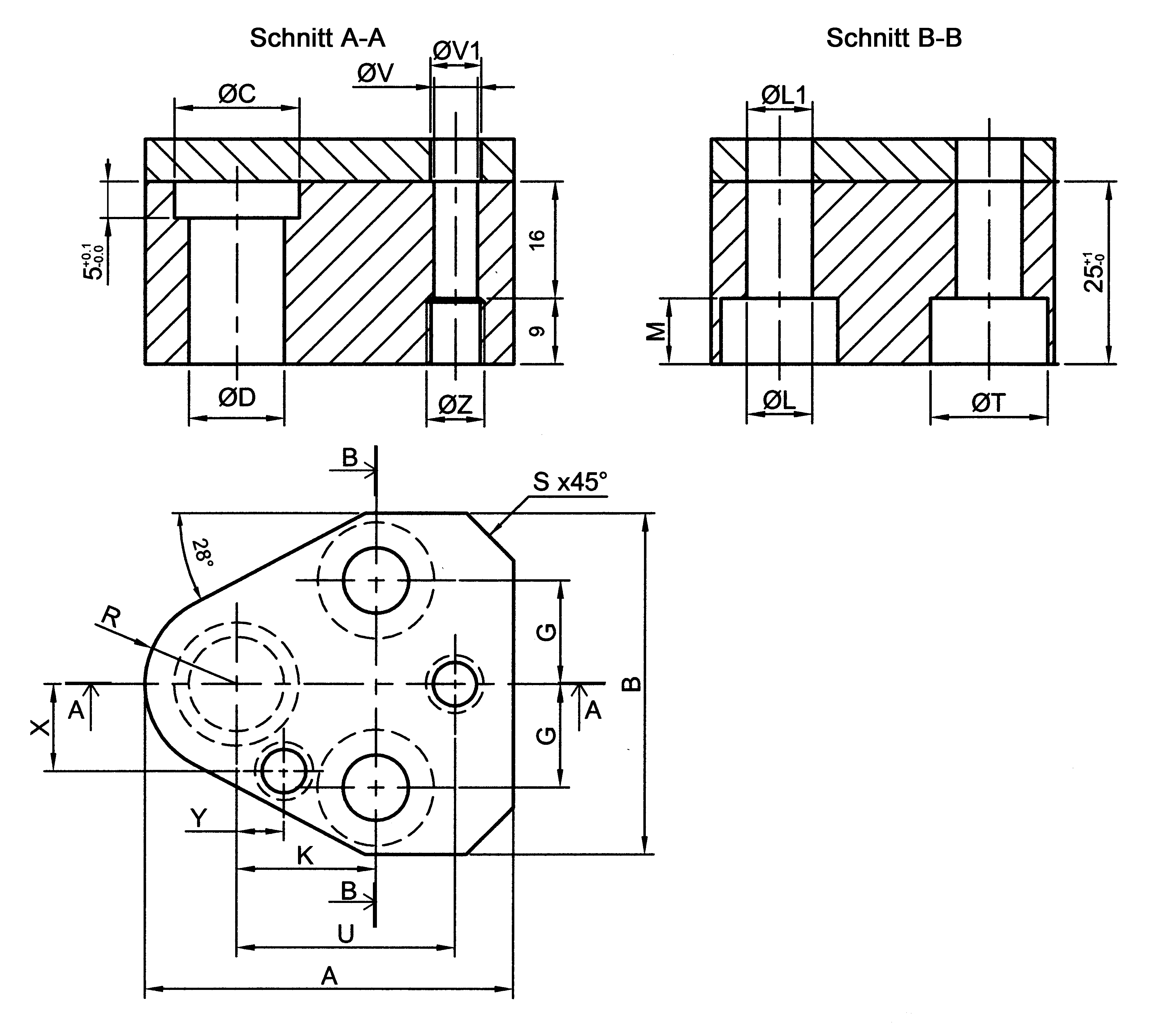
Dimensions :
- For round shaped headed punches from diameter 8 to 32mm.
- Height : 25mm
Hardness :
Punch retainers : 43-48 HRc
Shock plate not included
Benefits :
- Precise positioning and alignment
- Reduced dimensions and centre distances
- Can be nested
Tolerances :
- Punch diameter G6
- Punch head diameter ± 0,25
- Punch retainers length ± 0,25
- Punch retainer width ± 0,25
- Height tolerance 25 +1/0 mm
Conception :
- Punch retainers are machined
- The faces are gound
- The edges are treated by burnishing
Recommendations for use :
Mounting : The punch retainers are fastened by two screws and two pins directly into the top plate of your tool.
Maintenance recommendations :
- Regular cleaning
- Regular inspection
- Checking alignment with the die
- Regular lubrication
To order you need to indicate :
- The diameter of the punch required
Example : RR-PPTS-16
3D Model
Plan
A : Punch retainer length
B : Punch retainer width
ØD : Punch diameter


