Reduced punch retainers for heavy duty RR-PTHF for shaped headed punches
Reduced punch retainers for heavy duty RR-PTHF for shaped headed punches
The RR-PTHF reduced punch retainers are designed for heavy duty shaped headed punches.

Specifications
Material : 40CMD8 T4
Dimensions :
- For headed heavy load shaped punches from diameter 10 to 25mm
- Height : 30mm
Hardness:
Punch retainer : 43-48 HRc
Shock plate not included
Benefits :
- Precise positioning and alignment
- Reduced dimensions and centre distances
- Can be nested
- Orientation flat
- For heavy load punches
Tolerance :
- Punch diameter G6
- Punch head diameter ± 0,10
- Punch retainer length ± 0,25
- Punch retainer width ± 0,25
Conception :
- Punch retainers are machined
- The faces are gound
- The edges are treated by burnishing
Recommendations for use :
Mounting : The punch retainers are fastened by two screws and two pins directly into the top plate of your tool.
Maintenance recommendations :
- Regular cleaning
- Regular inspection
- Checking alignment with the die
- Regular lubrication
To order you need to indicate :
- The diameter of the punch required
Example : RR-PTHF-16
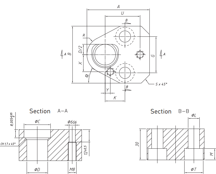
Plan
A : Punch retainer length
B : Punch retainer width
ØD : Punch diameter


